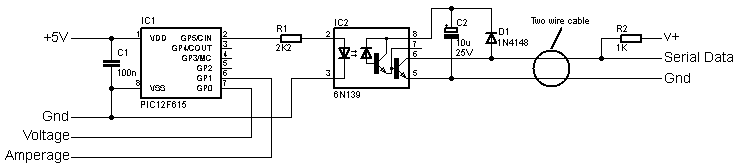
This is a simple circuit that adds a safe serial data output to the Kill A Watt. It uses the same protocol as the Tweet-a-Watt, so the same software can be used.
Voltage and current are read by a Microchip PIC12F615 using it's internal 10 bit ADC.
There are 18 samples taken at a 984 microsecond interval. That is approximately 17 samples per 60 Hz cycle. The Tweet-a-Watt takes one sample per 1000 microseconds.
The serial transmission is paced at one character per 60 Hz cycle to reduce the load on the Kill A Watt power supply. Average current draw is less than one milliamp.

Source Code
Schematic
Componets soldered to an 18 pin DIP socket.
Connection points for voltage and amperage measurement.


Connection points for power.
Installation inside the Kill A Watt.